ST - SERIES, 2Pass

스파이럴 튜브 열교환기로 열 팽창 대응성이 뛰어나며

내 외부에 난류를 발생시켜 열전달 계수가 우수하여

폐열회수기 및 온수기로도 사용함

 사용 용도

폐열회수, 온수가열, 열처리유 냉각 등

  재질

구리, 스테인리스, 탄소강 등

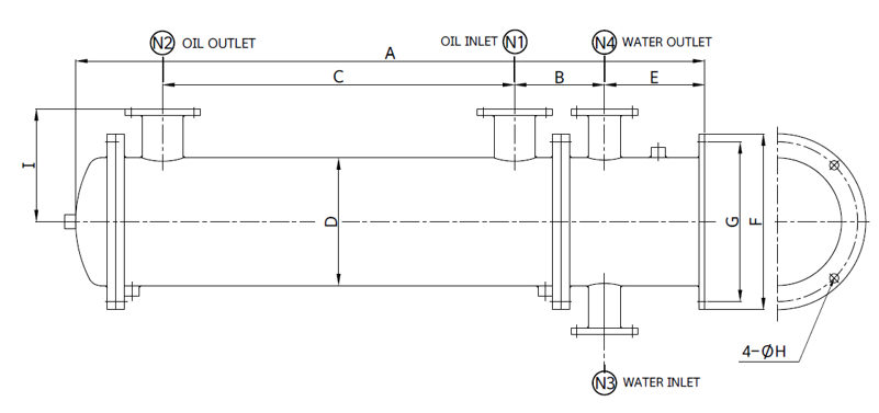
  제품 치수

(mm)

※ 상기 치수 및 사양은 예고없이 변경될 수 있음

  제품 사양

  ST - SERIES, 4Pass

스파이럴 튜브 열교환기로 열 팽창 대응성이 뛰어나며

내 외부에 난류를 발생시켜 열전달 계수가 우수하여

폐열회수기 및 온수기로도 사용함

 사용 용도

폐열회수, 온수가열, 열처리유 냉각 등

  재질

구리, 스테인리스, 탄소강 등

  제품 치수

(mm)

※ 상기 치수 및 사양은 예고없이 변경될 수 있음

  제품 사양

  ST - SERIES, 수직형

스파이럴 튜브 열교환기로 열 팽창 대응성이 뛰어나며

내 외부에 난류를 발생시켜 열전달 계수가 우수하여

폐열회수기 및 온수기로도 사용함


수직형으로 제작되어 공간활용이 용이함

 사용 용도

폐열회수, 온수가열, 열처리유 냉각 등

  재질

구리, 스테인리스, 탄소강 등

  제품 치수

(mm)

※ 상기 치수 및 사양은 예고없이 변경될 수 있음

  제품 사양