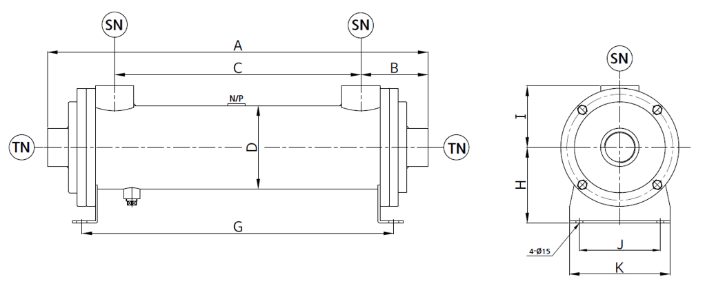
DS - SERIES, Tube Side 1pass
스테인리스 열교환기로 가장 소형이고 청정하게 제작되어
각종 실험장치, 식품, 제약 등 순수 장치 열교환기로 적합함
※ 산처리 (Acidification) 및 전해연마 (Electro polishing) 처리 가능
사용 용도
순수 장치, 실험 장치 등
재질
스테인리스 (STS316L, STS304)
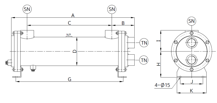
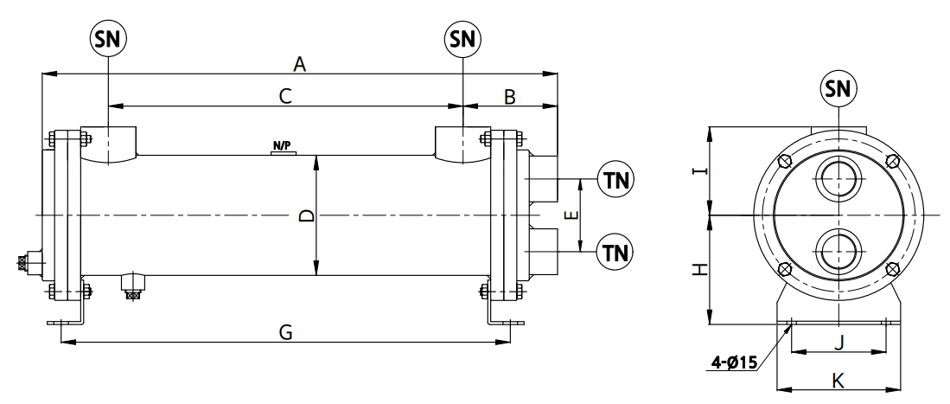
제품 치수
(mm)
※ 상기 치수 및 사양은 예고없이 변경될 수 있음
DS - SERIES, Tube Side 2pass
동인테크 주식회사
유압 및 윤활장치용
에어 컴프레서용
스테인리스
열교환기
티타늄 열교환기
테프론 열교환기
기타 열교환기
회사소개
Tel. 031-988-9321~2 | Fax. 031-988-9323 | dongin@dongintech.com | 대표자 : 김진국경기도 김포시 대곶면 대곶북로68번길 53-48 ㅣ 사업자등록번호 137-86-28788